<li id="sssss"></li><li id="sssss"><table id="sssss"></table></li>
  • <li id="sssss"><tt id="sssss"></tt></li>
  • <tt id="sssss"><table id="sssss"></table></tt>
    <tt id="sssss"></tt>
  • <li id="sssss"><tt id="sssss"></tt></li>
  • <li id="sssss"></li>
    <li id="sssss"><table id="sssss"></table></li>
  • 設為首頁  |   加入收藏  |   聯系我們

    這家鋼廠,新建兩座1340m3高爐!

    發布時間:2022-10-16 14:56:48    點擊: NEWS

     

    近日,中冶京誠成功中標四川省達州鋼鐵集團有限責任公司高爐本體及附屬設施工程EPC總承包工程。

     

    該工程為新建兩座1340m³高爐及其配套設施,工程運用了中冶京誠自主創新研發的第二代環保底濾高爐爐渣處理、富氧大噴煤、均壓煤氣全回收、噴煤煙氣自循環、礦丁焦丁回收入爐等先進工藝技術。依據該項目的產品特點,選用適合釩鈦冶煉的成熟爐型及高爐長壽設計工藝,同時采用雙高爐出鐵場聯合、礦槽共柱等合理布置方案。
     
    該項目的成功中標是中冶京誠冶金公司積極推進市場營銷體系建設取得的豐碩成果。在項目投標期間,項目團隊克服了疫情等重重困難,憑借先進的技術方案、切合實際的工藝特點,在眾多投標單位中脫穎而出,成功中標本項目。冶金公司達鋼搬遷升級項目團隊將繼續秉承“今天的現場就是明天的市場”營銷理念,積極踐行“鏖戰一百天,決勝保全年”專項行動精神,珍惜來之不易的成績。項目團隊將始終不懈努力,全面優化設計,做實做優高爐產品,進一步擴大中冶京誠在高爐領域的占有率、影響力、知名度和美譽度。

     

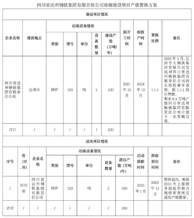
    據了解,四川省達州鋼鐵集團有限責任公司擬開工建設1340m³高爐兩座,建設產能242.8萬噸/年。置換退出產能261.9萬噸,其中四川省達州鋼鐵集團有限責任公司1260m³高爐一座、480m³高爐一座于2025年1月啟動拆除,四川省瀘州江陽鋼鐵有限責任公司420m³高爐一座于建成投產前啟動拆除,唐山瑞豐鋼鐵(集團)有限公司1080m³高爐一座已拆除到位。
    \
    此外,四川省達州鋼鐵集團有限責任公司擬開工建設100t轉爐兩座,建設產能230萬噸/年。置換退出四川省達州鋼鐵集團有限責任公司120t轉爐兩座,產能260萬噸,2025年1月啟動拆除。
    \
    \
     
    來源:中冶京誠冶金公司,泰科鋼鐵整理編輯,如有侵權請聯系刪除
    \
          秦皇島泰科科技開發有限公司(簡稱泰科TECH)是以非標冶金設備設計與開發、設備制造為主的科技型企業。
    泰科主要致力于高爐、轉爐、精煉爐等爐下各種非標冶金車輛,智能煉鋼設備、智能煉鐵設備;罐(包)類敞口容器,鋼包、鐵包全程自動加揭蓋裝置,魚雷罐車車載、定點全程加蓋;系列化轉向架(焊接結構轉向架、帶動力轉向架、帶稱量轉向架)以及自動橫移舉升澆鑄車、液壓傾翻臺、翻包臺等其他非標冶金設備的設計制造。
    商務溝通電話:18733470906
    色老太aⅴ牲交视频